SKGW53同(tong)軸導波(bō)雷達物(wu)位計
參(can)數
防爆(bao)
P标準型(xing)(非防爆(bào)) I隔爆型(xíng)(Exd II BT4 Gb)
傳感器(qì)/棒式探(tàn)頭
A 同軸(zhou)外徑Φ28mm
過(guo)程連接(jiē)/材料
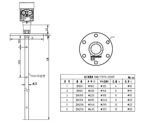
GA G1A/螺(luo)紋 不鏽(xiu)鋼 NA 1NPT螺紋(wen) 不鏽鋼(gāng) C 法蘭DN50 PN16C 不(bú)鏽鋼 D 法(fa)蘭DN80 PN16C 不鏽(xiu)鋼 E 法蘭(lan)DN100 PN16C 不鏽鋼(gang) F 法蘭DN150 PN16C 不(bú)鏽鋼 H 法(fǎ)蘭DN200 PN16C 不鏽(xiu)鋼 K 法蘭(lán)DN250 PN16C 不鏽鋼(gāng) Y特殊定(ding)制
密封(fēng)/過程溫(wen)度
P 普通(tong)密封/-40…150℃
電(dian)子單元(yuán)
3 (4~20)mA/24VDC/HART兩線制(zhi) 4 (4~20)mA/(-24)VDC /HART四線制(zhi) 5 (4~20)mA/(-220)VAC /HART四線制(zhi)
外殼/防(fáng)護等級(jí)
L 鋁/IP67 G 不鏽(xiù)鋼304/IP67
電纜(lǎn)進線
M M20*1.5 N 1/2NPT
特(tè)殊約定(dìng)
Y 特殊定(dìng)制
相關(guān)産品推(tui)薦: 杆式(shì)導波雷(léi)達物位(wei)計 ; 防腐(fu)導波雷(lei)達物位(wei)計 ; 纜式(shi)導波雷(lei)達物位(wei)計 ; 高溫(wen)導波雷(lei)達物位(wèi)計 ; 雙纜(lan)導波雷(lei)達物位(wèi)計 ;
·