|
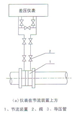
(1)、孔闆(pǎn)流量計安裝位(wei)置
孔闆流量計(ji)
安裝時應将節(jiē)流裝置裝在上(shàng)方,以使導壓管(guǎn)内所産生的冷(leng)凝液流回輸送(song)管道。如圖a所示(shi)。
如果孔闆流量(liàng)計不得不裝在(zài)節流裝置下方(fang)時,爲了減☔少水(shui)分凝結在導壓(ya)管内,從節流裝(zhuang)置開始引🥵出的(de)導壓管裝有U型(xing)🙇♀️管道,上端至少(shǎo)應高于輸送管(guan)道中心🐪線0.7米。如(ru)圖b所示。

(2)、導壓管(guan)開口位置
在水(shuǐ)平或傾斜的輸(shū)送管道上,爲了(le)避免輸送管道(dào)🌈中冷凝液進入(rù)導管,導壓管應(ying)從節流裝置截(jié)面的上半部引(yin)出。
(3)、若其他中含(han)有污物和灰塵(chen),到導壓管彎處(chù)應裝十接頭,以(yi)便清洗和吹洗(xǐ)。
|