|
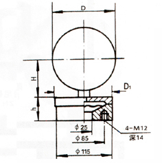
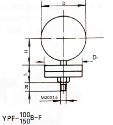
膜片壓力(lì)表由測量系統(包(bao)括法蘭接頭、波紋(wen)膜片)、傳動指示機(jī)構(包括連杆、齒輪(lun)傳動機構、指針和(he)度㊙️盤)和外殼(包括(kuo)表殼和罩🔞圈)等組(zu)成。膜片壓力表外(wài)殼爲防濺結構,具(jù)有較好的密性,故(gu)能保護其内部🚶機(ji)構免受☀️污穢浸入(ru)。
膜片壓力表的作(zuo)用原理是基于彈(dan)性元件(測量系🐇統(tǒng)上💔膜片)變形。膜片(pian)壓力表在被測介(jie)質的壓力作用下(xià),迫使膜片産生相(xiàng)應的彈性變形---位(wèi)移,借助連杆組經(jing)傳動機構的傳動(dong)并予放大,由固定(ding)于齒輪上的指針(zhēn)🈲逐将被測值在度(dù)盤⛱️上指示出來。
|