面闆式(shì)有機玻璃(lí)轉子流量(liàng)計(小口徑(jing))
測量範圍(wei)
接口 螺紋(wen)
精度
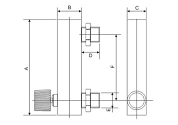
外形(xing)尺寸
ml/min(液體(tǐ))
L/min(氣體)
A
B
C
D
E
F
SKLZBY-4MZT
6~60 8~80 40~400
0.05~0.5 0.1~1 0.2~2 0.25~2.5 1~4 0.6~6 1~5 1~10 1~12
快插(chā) 連接
4%
94
27
21
14
70
SKLZBY-6MZT
6~60 16~160 10~70GPH 25~250 80~400 100~500 100~600 200~800 100~1000
0.1~0.8 0.1~1 0.1~1.5 0.3~3 0.4~4 0.5~8 1~5 1~12 2~10 2~20 3~15 3~30 4~20 5~25 6~30 10~60 10~70 10~100 0.05~0.25m³/h 0.04~0.4m³/h
内G1/4
102
30
25
20
M18*1.5
77
SKLZBY-8MZT
2.5~25LPH 5~45LPH 6~60LPH
0.16~1.6m³/h 0.1~1m³/h 0.2~2m³/h
110
80
調節閥(fá)材質
接咀(jǔ)材質
O型圈(quān)材質
T-有調(diào)節閥 O-無調(diào)節閥
√1、黃銅(tong) 2、不鏽鋼
√1、黃(huang)銅 2、黃銅鍍(du)鉻 3、不鏽鋼(gang)
√1、矽橡膠 2、氟(fu)塑橡膠 3、丁(ding)晴膠
·